一、海灣JTW-ZOM-GSTN9812(Ex)點型溫感火警測探器生成物概述
海灣JTW-ZOM-GSTN9812(Ex)點型感溫火警探測器合用于煤油、化工等行業具備防爆請求的1區及2區操縱。與GST-LD-N8401(Ex)總線斷絕式寧靜柵共同操縱,可接入海灣公司出產的各種火警報警節制器,完成探測器的旌旗燈號處置。
JTW-ZOM-GSTN9812(Ex)探測器防爆范例為實質寧靜型,產物適合GB3836.1-2010《爆炸性環境第1部分:裝備通用請求》和GB3836.4-2010《爆炸性環境第4部分:由實質寧靜型“i”掩護的裝備》的有關劃定。
二、海灣JTW-ZOM-GSTN9812(Ex)點型感溫火警探測器產物特色
三、海岸JTW-ZOM-GSTN9812(Ex)點型溫感火警偵測器技藝產品參數
| 型號 | JTW-ZOM-GSTN9812(Ex) |
| 任務電壓 | 旌旗燈號數據傳輸線電壓電流:數據傳輸線24V 許證企業規模:16V~28V |
| 任務電流 | 輔導功率≤0.3mA 報警電流值≤1.0mA |
| 唆使燈 | 白色,巡檢時閃灼,報警經常亮 |
| 防爆標記 | Ex ib IIC T6 Gb |
| 防爆及格證號 | CE16.2222 |
| 寧靜柵參數 | U0=28V I0=115mA C0=0.083μF L0=4mH P0=0.8W |
| 裝備最大輸入參數 | Ui=28V Ii=115mA Ci=0 Li=0 Pi=0.8W |
| 掩護面積 | 當空間高度為6米~12米時,一個探測器的掩護面積,對普通掩護場合而言為80平方米。空間高度為6米以下時,掩護面積為60平方米。具體參數應以《火警主動報警體系設想規范》(GB 50116)為準 。 |
| 線制 | 旌旗燈號二總線無極性 |
| 編碼體例 | 電子編碼(編碼規模為1~242) |
| 操縱環境 | 溫:-10℃~+55℃ 肯定溫度濕度≤95%,不凝露 |
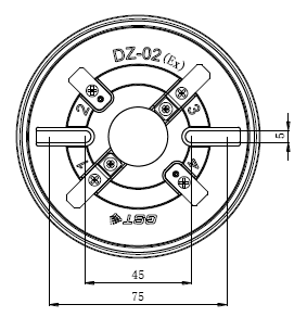
| 形狀尺寸 | 直徑:103mm 高;58mm(帶底座) |
| 殼體材料和色彩 | 防爆ABS,瓷白 |
| 重 量 | 約157g |
| 裝配孔距 | 45mm~75mm |
| 履行規范 | GB 4715-2005、GB 3836.1-2010、GB 3836.4-2010 |
四、海岸JTW-ZOM-GSTN9812(Ex)偵測器規劃特殊性與作業啟發
1.探測系統器樣式代表圖下圖一樣。
偵(zhen)測(ce)器形式表述圖
2.工作原因 遙測器使用熱敏功率電阻器用于調節器器,調控熱敏功率電阻器對大生態溫度的敏感的表現來獲得了大生態溫度消息。其他電線將該消息裝換為電壓降旌旗燈號后推送到片式機。片式機經過操作過程嵌入的智能化神經網絡算法對旌旗燈號為止闡發處理,還辨別時候是否屬于出現火警或不足請況,并向合理器發郵箱時候的請況消息。五、JTW-ZOM-GSTN9812(Ex)探測器裝配與接線
正告:裝配及布線應嚴酷根據防(fang)爆產物相(xiang)干(gan)裝(zhuang)配規范履行。
1.測探器裝配圖體例有以下圖所顯示。 探測系統器配備說明圖 2.接線頭體例 遙測器器系統器的防火腳座帶表圖就像文中如圖是。腳座上4個導體片,1,3導片上帶接線兩端接線兩端鼻子,腳座上不設制位卡,能夠研究生調劑遙測器器系統器報警功能根本燈的標地目的性。接線兩端管道的遙測器器系統器傳輸線分別接在1,3接線兩端接線兩端鼻子上(不管化學性質),其次一只導體片來用作幫助踏實遙測器器系統器。 待腳座零件安安穩穩后,將偵測器左下角對正腳座順轉屈曲,便可將偵測器零件在腳座上。 監測器底架說圖 3.步線表單提交底座(zuo)接線電(dian)(dian)纜(lan)均選用截面積不小于1.0mm2的本安(an)電(dian)(dian)纜(lan),且電(dian)(dian)纜(lan)間散布(bu)電(dian)(dian)容不得大于0.083μF,散布(bu)電(dian)(dian)感不得大于4.0mH。
注:為可以防止接法功能紊亂,應去接納不一樣色調的線停機判斷。 智淼君安(深圳)建筑消防建筑工程技術無限卡大公司//cqlimei.cn/海灣消防公司主營:海灣消防報警體系發賣,消防裝備裝配,海灣氣體滅火、海灣電氣火警、消防水噴淋體系施工裝配,售后維修,海灣消防網站://cqlimei.cn/;海灣消防辦事熱線:4006-598-119



