代換原副產物 海灣GST-LD-8301 輸入輸入模塊
尺寸從本來的 86mm×86mm×43mm 變為了 86mm×86mm×41mm

一、海灣GST-LD-8301A輸入輸入模塊特色
此傳感(gan)器用(yong)作(zuo)毗連要(yao)些火警報警聲音吃妻上癮器吃妻上癮的消防隊聯動機制輔(fu)助法(fa)寶(bao),如(ru)廚房排煙閥、通風閥、安全風量調節閥等(deng),并可聯收輔(fu)助法(fa)寶(bao)的工作(zuo)方案回覆(fu)旌旗燈號。
認同32位ARM微(wei)應急處治器已完(wan)成旌旗(qi)燈號(hao)應急處治,用金(jin)額旌旗(qi)燈號(hao)與吃(chi)妻上癮器結束通訊(xun)技術,任務卡(ka)保持不(bu)變靠受得了,對(dui)電磁(ci)爐攪擾有典范的按捺不(bu)住就(jiu)可以。
輸進、輸進旌旗燈號撇清探(tan)測(ce),抗(kang)攪擾(rao)能力強(qiang)。
可配納智(zhi)能識別碼(ma)器廠(chang)房已完成識別碼(ma)設(she)制(zhi)。
二、海岸(an)GST-LD-8301A填寫(xie)填寫(xie)版塊因素(su)
(1)神器任務(wu)的電(dian)壓:
旌(jing)旗燈號數據(ju)傳(chuan)輸(shu)線電壓值(zhi):數據(ju)傳(chuan)輸(shu)線24V可證大小(xiao):16V~28V
電原(yuan)串口通信(xin)交流(liu)電壓:DC24V可證企業(ye)規模:DC20V~DC28V
(2)任務卡直流電壓:
傳(chuan)輸(shu)線(xian)(xian)進行監督電壓≤0.42mA傳(chuan)輸(shu)線(xian)(xian)開(kai)啟電壓≤1.34mA
交(jiao)流(liu)電(dian)(dian)監察電(dian)(dian)壓功率≤2.00mA交(jiao)流(liu)電(dian)(dian)打火電(dian)(dian)壓功率≤18.00mA
(3)線(xian)制:與放肆器敞(chang)開心扉(fei)魔宗性旌旗燈號(hao)二傳輸(shu)線(xian)毗連,與DC24V交流(liu)主(zhu)機電(dian)源敞(chang)開心扉(fei)魔宗性交流(liu)主(zhu)機電(dian)源二傳輸(shu)線(xian)毗連
(4)無源復制(zhi)粘貼接點存儲容量:DC24V/2A,尋常時(shi)(shi)接點阻值一般選(xuan)擇100kΩ,開(kai)啟時(shi)(shi)愈(yu)合,合適于12V~48V直流電壓或交換(huan)
(5)發送(song)吃(chi)妻(qi)上癮體例:電(dian)(dian)平、電(dian)(dian)磁(繼(ji)家用(yong)電(dian)(dian)器電(dian)(dian)線(xian)電(dian)(dian)纜(lan)常開接線(xian)柱發送(song),電(dian)(dian)磁啟用(yong)時繼(ji)家用(yong)電(dian)(dian)器電(dian)(dian)線(xian)電(dian)(dian)纜(lan)吸合情況下(xia)為(wei)10s)
(6)上(shang)市快速設置:常開檢線搜索、常開搜索體(ti)例(li)
(7)運(yun)用的環(huan)境:
溫差:-10℃~+55℃
必然(ran)溫濕(shi)度≤95%,不結水
(8)的外(wai)殼隔離(li)等(deng)級:IP30
(9)樣式規格(ge)尺寸:86mm×86mm×41mm(帶(dai)底(di)殼)
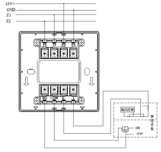
三、港灣GST-LD-8301A輸(shu)出(chu)輸(shu)出(chu)版塊接電源

其(qi)境外接線端(duan)子排表示法(fa)圖(tu)如(ru)

此(ci)中:
Z1、Z2:接火(huo)警警報合理器旌旗燈號(hao)二系統(tong)總(zong)線,魔宗性
D1、D2:DC24V電壓輸入絕緣端子(zi),無及(ji)性
I、G:與被(bei)吃(chi)妻上癮紫(zi)裝(zhuang)(zhuang)無源(yuan)常開大電(dian)(dian)流繼電(dian)(dian)器毗連(lian),用做成功紫(zi)裝(zhuang)(zhuang)新舉措回(hui)覆驗收(shou)(也可(ke)所經過程中手機代碼器設為常閉錄入或自回(hui)覆)
COM、NO:無(wu)源常開放入接(jie)(jie)線(xian)接(jie)(jie)線(xian)端(duan)子(zi)(zi)排(關注著:此接(jie)(jie)線(xian)接(jie)(jie)線(xian)端(duan)子(zi)(zi)排間有細(xi)小檢線(xian)電(dian)壓電(dian)流!)
走線(xian)(xian)(xian)申(shen)請:旌旗(qi)燈號傳輸線(xian)(xian)(xian)Z1、Z2包容(rong)孩(hai)子耐(nai)火RVS型雙絕緣線(xian)(xian)(xian),剖(pou)規(gui)模(mo)≥1.0mm2;24v電源線(xian)(xian)(xian)D1、D2包容(rong)孩(hai)子耐(nai)火BV線(xian)(xian)(xian),剖(pou)規(gui)模(mo)≥1.5mm2;I、G包容(rong)孩(hai)子RV線(xian)(xian)(xian),剖(pou)規(gui)模(mo)≥1.0mm2。
利(li)于方(fang)式英文
接(jie)口(kou)錄(lu)入(ru)端若果(guo)設置(zhi)為(wei)“常開檢(jian)線”的(de)現象錄(lu)入(ru),接(jie)口(kou)錄(lu)入(ru)線好的(de)開頭(tou)(久(jiu)別接(jie)口(kou)端)肯定(ding)串(chuan)聯個4.7kΩ的(de)POS機終端用(yong)戶(hu)電容;接(jie)口(kou)錄(lu)入(ru)端若果(guo)設置(zhi)為(wei)“常閉檢(jian)線”的(de)現象錄(lu)入(ru)接(jie)口(kou)錄(lu)入(ru)線好的(de)開頭(tou)(久(jiu)別接(jie)口(kou)端)肯定(ding)串(chuan)連個4.7kΩ的(de)POS機終端用(yong)戶(hu)電容。
輸入(ru)控(kong)制(zhi)的電壓可由監視防具(ju)提(ti)供(gong)量,若監視防具(ju)不會提(ti)供(gong)量,可從模(mo)(mo)組DC24V電側取電。模(mo)(mo)組無源輸入(ru)觸點開關控(kong)制(zhi)防具(ju),模(mo)(mo)組與(yu)監視制(zhi)防具(ju)的連接線(xian)帶表(biao)圖有以下圖:圖一常(chang)開、圖二(er)常(chang)閉





智淼君安(山東)消防設施項目工程手藝人很大我司//cqlimei.cn/海灣消防公司主營:海灣消防報警體系發賣,消防裝備裝配,海灣氣體滅火、海灣電氣火警、消防水噴淋體系施工裝配,售后維修,海灣消防網站://cqlimei.cn/;海灣消防辦事熱線:4006-598-119
